
Defektes Teil scannen, digital überarbeiten und als funktionierendes Ersatzteil neu fertigen.
Reale Bauteile erfassen und als 3D-Daten verfügbar machen.
Vom Scan zum sauberen CAD-Modell für technische Teile und Weiterentwicklung.
Schwachstellen verbessern, Verstärkungen einbauen oder Geometrie anpassen nicht nur kopieren, sondern besser machen.
Fertigung von Einzelteilen oder Kleinserien passend zum Einsatzbereich.
Individuelle Lösungen für Teile, die es so nicht mehr gibt oder nie gab.
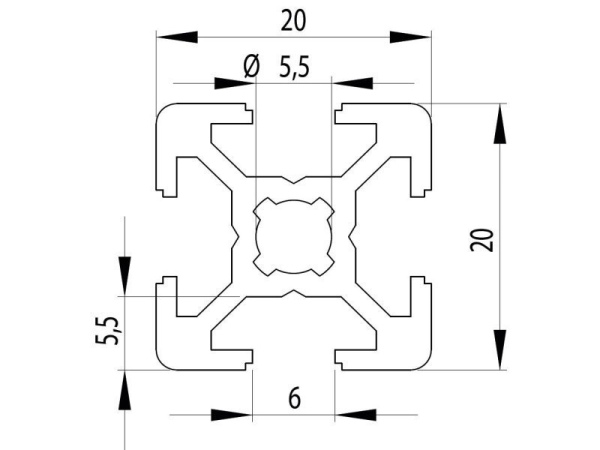
2020 B Nut 6
|
SKU (Artikelnummer): |
{{ds.variantSkuVal}} |
|
Preis: |
{{ds.variantPriceVal}} |
|
{{variant.name}}:
|
{{opt.name}}
{{opt.name}}
|
schwiziell – einfach speziell.
Kompakt, präzise, vielseitig: Das 20×20 B-Typ Profil ist die schlanke Basis für Rahmen, Halterungen und modulare Aufbauten – vom Drucker bis zur Prüfvorrichtung.
Leichte Rahmen, Gehäuse & Abdeckungen, 3D-Drucker-/CNC-Aufbauten, Sensor- und Gerätehalterungen, Mess- & Prüfmodule.